SF-3280 磁簧管型 车规级
技术参数
|
最大工作电压 |
DC 200V |
| 最大工作电流 | DC1.0A |
| 安装方式 | 垂直安装(从上或从下插入) |
| 动作方式 | 浮子升降式 |
| 工作温度 | '-40℃ ~ +125℃ |
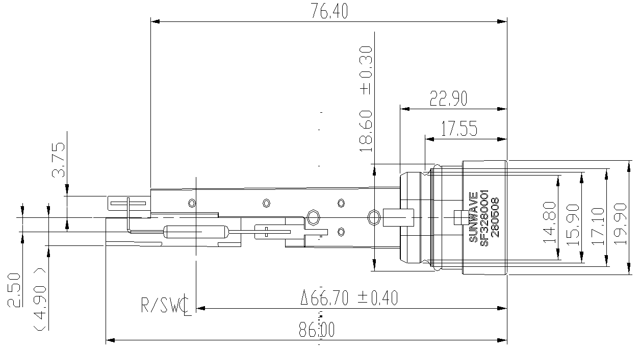
| 检测范围 | 最大释放距离为66.5mm 最小释放距离为57.6mm |
技术参数
|
最大工作电压 |
DC 200V |
| 最大工作电流 | DC1.0A |
| 安装方式 | 垂直安装(从上或从下插入) |
| 动作方式 | 浮子升降式 |
| 工作温度 | '-40℃ ~ +125℃ |
| 检测范围 | 最大释放距离为66.5mm 最小释放距离为57.6mm |