SF-3400 车规级
技术参数
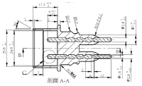
| 安装方式 | 垂直安装(从上或从下插入) |
| 动作方式 | 探针接触式 |
| 输出方式 | 电阻输出 |
| 密封性要求 | 压力≥0.2 BAR 、 最少30分钟 温度 -20℃、+20℃、+50℃、+80℃ |
| 探针材质 | 'SUS303 |
| 接插件规格 | YAZAKI 7283-5548-30 |
技术参数
| 安装方式 | 垂直安装(从上或从下插入) |
| 动作方式 | 探针接触式 |
| 输出方式 | 电阻输出 |
| 密封性要求 | 压力≥0.2 BAR 、 最少30分钟 温度 -20℃、+20℃、+50℃、+80℃ |
| 探针材质 | 'SUS303 |
| 接插件规格 | YAZAKI 7283-5548-30 |